普段使っていたワイヤレスLEDライト。
いつもDCコネクタで充電していたが、ある日
妻の手から落ちてしまい、接触が良くなくなった。
それで汎用性の高いusb-cタイプに充電部分を交換しようと思った。

電灯の脚を外すとやはりネジがある。
全部外す。

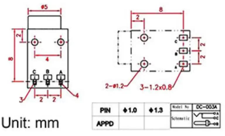
USB-Cタイプにコネクタを変更するためには、まず回路図を知る必要があるが...
それではコネクタの構造を知る必要があった。その結果を調べたところ...



コネクタの名前はPJ-014Cです。
足が3本あり、DCコネクタの外側の極性は左下の足2本で抜けて、
内側の極性は一番右の足だけで抜ける構造。


これと同じようにUSB-Cタイプのメス端子を接続すればいいのです!
実は家にハンダ吸引器もなく、きちんとした工具もないので ㅜㅜㅜ
ただしやりくりしてDC端子を取り除いた後、既存のDCケーブル線を利用してUSB-Cメス端子を取り付けました。
端子を見ると、Vと書かれている方が(+)、Gと書かれている方が(-)と考えれば良いです。




端子の元の穴が小さすぎるのでドリルで穴を開けて、ヤスリで削って少しきれいに仕上げました。
そして周辺にエポキシを塗って固定しました。
今やあなたのお腹を切ったなら、それはリサイクルゴミに入るときだけでしょう。


充電してみたらうまくいった。
ダイソーで買ったハンダごてでハンダを溶かして設置したら、充電確認用LEDランプが消えたㅜㅜㅜㅜ
LEDを失い、USB-C充電端子を得たので、それでも得な気がする。


今はうまく使っている。
充電端子が変わって本当に良い。
これから電子製品を買うときは、充電端子を必ず確認しなければならないと思う。
USB-Cタイプで必ず買おう。






댓글을 불러오는 중...